Product Data Sheet    430b7w

HBL430B7W


Hubbell Wiring Device-Kellems Product Specifications
 Product Type  Watertight IEC 309
 Material  Non Metallic
 Service  Standard
 Type of Device  Flanged Inlets
 Amperage  30A North American
 Voltage  3Ø 480
 Poles and Wires  3 Pole, 4 Wire Grounding
 Color  
 Configuration  UL 1686 C2, IEC 309-2, Clock Position 7, Watertight.
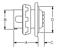
 Dimension A  2.99" (76.0)
 Dimension B  2.49" (63.2)
 Dimension C  1.04" (26.5)
 Dimension D  2.72" (69.0)
 Dimension E  3.75" (95.3)
 Dimension F  3.13" (79.5)
 Housing Material  Zytel® 101 Nylon.
 Locking Ring Material  Zytel ST901 Nylon or Rynite® SST35.
 Mounting Flange Material  Zytel 101 Nylon.
 Mounting Screw Material  Stainless Steel (300 Series).
 Contact Carrier Material  High-Impact Thermoset.
 Retainer Material  High-Impact Thermoset.
 Ground, Phase Pins Material  Brass.
 Terminal Screw Material  Stainless Steel (300 Series).
 Assembly Screw Material  Stainless Steel (300 Series).
 Gaskets Material  Solid Neoprene.
 Sealing Gasket Material  Solid Neoprene.
 Dielectric Withstand Voltage  3000V AC
 Current Interrupting  Certified for current interrupting at full rated current.
 Temperature Rise  Max. 30°C temperature rise at full rated current after 50 cycles of overload at 150% of rated current at a power factor of .75.
 Endurance  5,000 connect and disconnect cycles at full rated current and voltage.
 Impact Resistance  Per CSA C22.2 No. 182.1, Paragraph 7.4.2.
 Terminal Identification  Terminals identified in accordance with North American and IEC convention and UL 498 (L1, L2, L3, N GR).
 Product Identification  Identification and ratings are a permanent part of the device housing.
 Moisture Resistance  Watertight per IEC 309-1, 18. (b) IP67.
 Flammability  HB or better per UL 94 or CSA C22.2 No.0.6.
 Operating Temperatures  Maximum Continuous 75° C Minimum - 40°C w/o impact.
 UV Resistance  All materials are UV stabilized

Certifications
UL Listed, UL Standard 498 CSA Certified to CSA Spec. C22.2 No. 182.2 UL Classified to IEC 309-1 and IEC 309-2.

Watertight Application Guide
Industry Watertight
Agriculture Outdoor for fans, heaters, pumps, etc.
Chemical Processing Where subject to water, corrosion and rough use.
Construction Outdoors subject to severe weather conditions.
Entertainment Outdoors subject to severe weather.
Food Processing Where subject to water, corrosion and rough use.
Food Service Areas subject to wash downs & heavy cleaning.
Light Manufacturing Subjected to cleaning, solvents & chemicals.
Manufacturing Where subject to water, corrosion and rough use (i.e., mills).
Military Outdoor construction or maintenance subject to severe weather.








 

Hubbell Wiring Device-Kellems